
Изготовление усиленных осей для мотор-колёс моноколёс
Изготовление осей для мотор-колёс моноколёс: инженерная прочность вместо компромиссов.
Почему ломаются оси моноколёс.
По нашему опыту, причины разрушения осей можно разделить на эксплуатационные и технологические.- агрессивная езда и прыжки с бордюров;
- резкие разгоны и торможения при высоком крутящем моменте;
- большой вес пользователя;
- внесение изменений без усиления конструкции.
В момент приземления после прыжка ось испытывает кратковременную перегрузку, превышающую статическую нагрузку в несколько раз. Если металл слабый или имеет внутренние дефекты, появляются микротрещины, которые со временем приводят к излому.
Технологические причины:
Основная проблема серийных осей — качество металла. Большинство штатных осей изготавливаются из недорогой китайской стали с нестабильным химическим составом. При анализе структуры металла часто выявляются:
- неоднородность структуры;
- пористость;
- недостаточная глубина закалки;
- низкая ударная вязкость.
Такая ось может выглядеть надёжной, но фактически работает на пределе своих возможностей.
Из какого металла мы изготавливаем оси
Мы используем конструкционные легированные стали 45Х и 40Х13 по ГОСТ.
Сталь 45Х
- высокая прочность после закалки;
- хорошая ударная вязкость;
- устойчивость к крутящим нагрузкам;
- оптимальна для тяжёлых райдеров и мощных моноколёс.
После термообработки достигается высокая твёрдость при сохранении достаточной пластичности, что снижает риск хрупкого разрушения.
Сталь 40Х13
- повышенная коррозионная стойкость;
- высокая износостойкость;
- стабильность геометрии после обработки.
Подходит для эксплуатации в условиях повышенной влажности и для пользователей, которым важна дополнительная защита от коррозии.
Выбор материала производится исходя из модели моноколеса, мощности, веса пользователя и характера эксплуатации.
Производственный цикл: участие четырёх специалистов
Изготовление одной оси — это не «час работы на токарном станке». В процессе участвуют четыре специалиста.
- Токарь. Выполняет первичную обработку заготовки: выводит базовые диаметры, формирует ступени, подготавливает поверхности под последующую обработку. Здесь задаётся геометрическая база.
- Фрезеровщик. Формирует плоскости под крепление, пазы, технологические выборки и элементы фиксации. Именно на этом этапе обеспечивается правильное сопряжение оси с корпусом мотор-колеса.
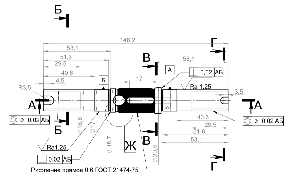
- Шлифовщик. Доводит посадочные размеры под подшипники и уплотнения. Посадки выполняются «в ноль» — с точным соблюдением допуска. Это обеспечивает отсутствие люфта и равномерное распределение нагрузки.
- Термист. Проводит закалку и отпуск по технологии, с контролем температурных режимов. Термообработка занимает около 6 часов и формирует окончательные механические свойства металла.
На механическую обработку уходит в среднем 4–5 часов, плюс время на термообработку и контроль.
Почему невозможно сделать качественную ось для моноколеса за 1–2 часа
Если ось «делается за час», это означает:
- отсутствие полноценной термообработки;
- грубую мехобработку без шлифовки;
- отсутствие контроля геометрии;
- работу из неподходящего металла.
Такая деталь может выглядеть новой, но её ресурс будет сопоставим с серийной или даже ниже. Мы принципиально не сокращаем технологический цикл, потому что прочность формируется не скоростью, а соблюдением процесса.
Посадки под подшипники «в ноль»
Точная посадка подшипников критична для моноколеса. Если допуск превышен даже на сотые миллиметра, появляется микролюфт, который приводит к:
- дополнительным нагрузкам на обойму;
- ускоренному износу;
- вибрациям;
- разрушению посадочного места.
Мы выполняем посадочные размеры с точной доводкой, что обеспечивает плотную и стабильную установку подшипника без перекоса.
Изготовление осей по чертежам заказчика и кастомные решения
Мы изготавливаем оси:
- по чертежам заказчика;
- по образцу повреждённой детали;
- с конструктивными доработками;
- с усилением проблемных зон;
- с изменением размеров.
Если требуется усиленная ось для мощного апгрейда или изменения конструкции, мы можем внести изменения в проект по согласованию. Это может быть увеличение диаметра в зоне нагрузки, изменение формы плоскостей, усиление переходных участков. Каждый кастомный проект обсуждается индивидуально с учётом реальной эксплуатации.
Полный цикл обслуживания мотор-колеса
Помимо изготовления оси, мы выполняем:
- замену подшипников. Даже при отсутствии явного шума изношенный подшипник может иметь микролюфт, который приводит к вибрациям, перегреву и ускоренному износу посадочных мест. Своевременная замена позволяет сохранить геометрию узла и предотвратить разрушение корпуса мотор-колеса.;
- дефектовку мотора, устранение заводских недочётов. В серийных моторах часто встречаются неточности, перекосы, избыточные зазоры. Такие мелкие отклонения со временем становятся причиной неисправности мотор-колеса. Корректировка этих дефектов увеличивает ресурс всего узла.;
- проверку состояния обмотки. Обмотка статора отвечает стабильную работу двигателя. Повреждение изоляции или локальный перегрев могут привести к короткому замыканию и выходу мотор-колеса из строя. Диагностика позволяет выявить проблему до того, как она станет критичной;
- лакировку при необходимости. Дополнительная электроизоляционная лакировка защищает обмотку от влаги, вибраций и механических микроповреждений. Это особенно актуально для эксплуатации в условиях повышенной влажности или активной городской езды. Лак также снижает риск межвиткового замыкания;
- итоговую сборку и проверку. После всех работ мотор-колесо собирается, проверяется отсутствие люфта, корректность вращения, проверка датчиков холла, подключение к тестовому контроллеру. Это гарантирует, что мотор будет работать, после установки, особенно актуально перед отправкой в другие города.
Работаем по всей России
Если вы находитесь в другом городе, мотор-колесо можно отправить транспортной компанией. После изготовления оси и проведения всех работ заказ отправляется обратно полностью готовым к установке.
Инженерный подход вместо временных решений
Ось моноколеса — это не расходный элемент, а силовая деталь, от которой зависит безопасность. Правильный выбор стали, соблюдение ГОСТ, точная механическая обработка и корректная термообработка формируют реальный запас прочности. Мы изготавливаем оси для мотор-колёс моноколёс с расчётом на длительную эксплуатацию, а не на временный результат. Если требуется надёжное решение — можно обратиться к нам для консультации и расчёта.
у нас можно заказать оси на Моноколеса: inmotion (v5, v8, v10,) Gotway (mten, mcm, msx, msp, monster, nikola), begode (mten) veteran sherman
